High Efficiency Long Term Grid Connected Utility Scale Power Storage
- Utilize Existing Stranded Assets
- Carbon-Free, Fuel Cost Free Power
- Reduce Plant Operating Costs
- Increase Revenue Production
- Small Foot Print
- Utilize Existing
This is a paragraph. Writing in paragraphs lets visitors find what they are looking for quickly and easily. Make sure the title suits the content of this text.


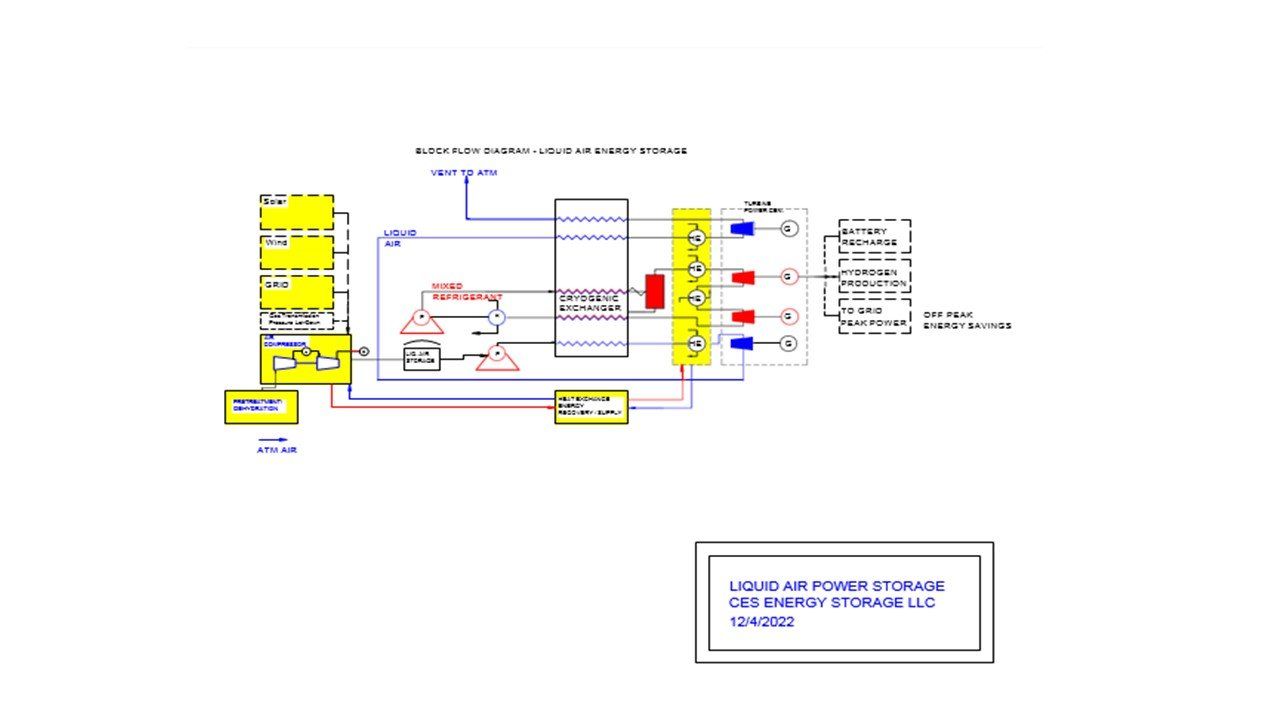
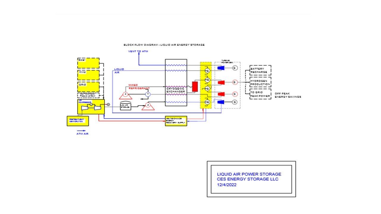
Eight years in development, Cryogenic Equipment Services, LLC (CES) offers an innovative proprietary cryogenic power storage system that utilizes liquid air as a working fluid, providing continuous, on-demand, low-cost power and voltage support throughout a connected power grid.
The design is scalable and dispatchable, and does not require burning any fossil fuels. (The CES system can recover its own heat.)
The economic feasibility of the CES system results from reeovering and monetizing excess, curtailed, or latent power that would otherwise be wasted
or lost.
The CES model recognizes revenue derived from a full schedule of ancillary services and monetizes substantial environmental and externality benefits.
The CES system is unique in four significant ways:
1. The system can be configured to store and dispatch stored energy for a desired number hours.
2. The system can be charged and discharged simultaneously.
3. Production of liquid air storage and power generation from liquid air can be located separately. (CES refers to this capability as the "Mother-Daughter" configuration.)
4. The CES system does not require an external source of heat, e.g. waste heat from the combustion of a fossil fuel.
Turn-Around Efficiency
Multiple independently verified simulations of the CES process flow have shown that the system as designed will return more than 85% of the electricity input to productive electricity output.
Click the link below to request a complimentary, site-specific technical ad economic feasibility analysis of an applicable CES use-case.


